GOYEN DIAPHRAGM VALVE T SERIES
VAN MÀNG ĐIỆN TỪ GOYEN T SERIES
Tổng quát:
Goyen được biết đến là van màng phục vụ cho nhu cầu công việc với lưu lượng cao và đáp ứng các ứng dụng máy bay phản lực.
Van màng Goyen được chế tạo theo tiêu chuẩn chất lượng đặc biệt và được hỗ trợ bởi các kỹ sư ứng dụng có kinh nghiệm và tận tâm.
Hiện tại, công ty IWISU là nhà cung cấp và phân phối các sản phẩm van Goyen tại Việt Nam. Công ty IWISU với đội ngũ bán hàng giàu kinh nghiệm và kỹ thuật sẽ hỗ trợ khách hàng tìm kiếm những sản phẩm tốt nhất theo yêu cầu của khách hàng.
Van màng Goyen được sử dụng trong nhiều lĩnh vực khác nhau:
- Sản xuất điện
- Bộ lọc khí tuabin
- Thép
- Xi măng
- Tinh luyện kim loại
- Bộ sưu tập khói
- Quá trình sản xuất
- Gian hàng sơn và sơn tĩnh điện
- Xử lý bột và chất rắn số lượng lớn
- Thông hơi
Tải dữ liệu tham khảo: Goyen Diaphragm Valves Brochure JEC
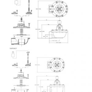
WEIGHTS
| SIZE | INTEGRAL PILOT (CA) kg (lb) | REMOTE PILOT ( RCA) kg (lb) | SIZE | INTEGRAL PILOT (CA) kg (lb) | REMOTE PILOT (RCA) kg (lb) |
| 10 | NA | 0.06 (0.14) | 50 | 2.89 (6.38) | 2.68 ( 5.92) |
| 35 | 1.04 (2.28) | 0.83 (1.83) | 62 | 3.31 (7.30) | 3.09 ( 6.82) |
| 45 | 1.50 (3.30) | 1.28 (2.83) | 76 | 4.77 (10.52) | 4.56 (10.04) |
MAINTENANCE KITS
| MODEL | NITRILE | VITON | LOW TEMPERATURE -600C (-760F) min | INCLDES |
| RCA10-6T | K1001 | K1002 | NA | |
| CA/RCA35T | K3500 | K3501 | K3502 | |
| CA/RCA40T* | K4000 | – | NA | |
| CA/RCA50/62T | K5004 | K5000 | NA | |
| CA/RCA76T | K7600 | K7601 | NA | |
| Pilot repair kit | K0380 | K0384 | NA |


















