GOYEN SOLENOID VALVE Q3M SERIES NORMALLY CLOSED
VAN ĐIỆN TỪ GOYEN Q3M SERIES THƯỜNG ĐÓNG
VAN ĐIỆN TỪ GOYEN Q6M SERIES THƯỜNG ĐÓNG
Tổng quan: GOYEN Q3M SERIES NORMALLY CLOSED – GOYEN Q6M SERIES NORMALLY CLOSED
Van hoạt động bằng điện gọi là van điện từ là những van dùng để kiểm soát dòng chảy của chất lỏng hoặc gaese. Goyen sản xuất và phân phối các van được thiết kế cho các ứng dụng cụ thể liên quan đến việc kiểm soát Gas, Nhiên liệu, Nước hoặc Dầu nhẹ.
Có hai loại hoạt động chính cho van điện từ – Nâng trực tiếp và vận hành thí điểm.
Cả van nâng trực tiếp và chạy thử đều có sẵn trong các cấu hình thường mở hoặc thường đóng.
Van 2 chiều: Các van này có đầu vào và cổng ra và được sử dụng làm van mở / tắt để kiểm soát dòng chảy của chất lỏng hoặc khí.
Van 3 chiều: Các van này cho phép ứng dụng và giải phóng áp suất từ các hệ thống kín, chẳng hạn như hoạt động điều khiển bằng không khí của van điều khiển thủy lực hoặc khí nén hoặc xi lanh tác động đơn.
Hiện tại, công ty IWISU là nhà cung cấp và phân phối van điện từ Goyen tại Việt Nam. Công ty IWISU với đội ngũ bán hàng giàu kinh nghiệm và kỹ thuật sẽ hỗ trợ khách hàng tìm kiếm những sản phẩm tốt nhất theo yêu cầu của khách hàng.
Tài liệu tham khảo: Goyen Solenoid Valve – cty Iwisu
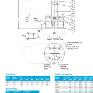
CONNECTION AND FLOW
| MODEL | PIPE SIZE | ORIFICE SIZE | FLOW FACTOR | |||
| MM | INCH | MM | INCH | CV | KV | |
| 1Q3M | 3 | 1/8 | 1.6 | 0.062 | 0.1 | 0.09 |
| 2Q3M | 3 | 1/8 | 2.4 | 0.093 | 0.2 | 0.17 |
| 2Q3M | 3 | 1/81/2 | 2.8 | 0.109 | 0.3 | 0.26 |
| 4Q3M | 3 | 1/8 | 3.2 | 0.125 | 0.5 | 0.43 |
| 1Q6M | 6 | 1/4 | 1.6 | 0.062 | 0.1 | 0.09 |
| 4Q6M | 6 | 1/4 | 3.2 | 0.125 | 0.5 | 0.43 |
| 6Q6M | 6 | 1/4 | 6.4 | 0.250 | 0.7 | 0.60 |















